首頁
關于光馳
公司概況
企業文化
榮譽資質
發展曆程
新聞中心
企業新聞
行(xíng)業新聞
産品與服務
X-LAB 工程創新實驗平台
光電實驗儀器
物理(lǐ)實驗儀器
工程實訓解決方案
智能開放式實驗室管理(lǐ)系統
3D虛拟仿真實驗系統
智慧教室
光機(jī)産品系列
客戶中心
質量與服務承諾
典型客戶
典型案例
聯系我們(men)
産品與服務
Products
X-LAB 工程創新實驗平台
X-LAB 工程創新實驗平台
光電實驗儀器
光電子(zǐ)技術系列
光電檢測系列
光纖信息與光通信系列
物理(lǐ)光學(xué)和(hé)工程光學(xué)系列
激光原理(lǐ)與技術系列
信息光學(xué)系列
非線性光學(xué)列
物理(lǐ)實驗儀器
力學(xué)系列
熱學(xué)系列
光學(xué)系列
電磁學(xué)系列
傳感器技術應用系列
近代物理(lǐ)系列
光學(xué)儀器
工程實訓解決方案
工程實訓系列
智能開放式實驗室管理(lǐ)系統
3D虛拟仿真實驗系統
3D虛拟仿真實驗系統
智慧教室
光機(jī)産品系列
光學(xué)平台系列
手動位移台系列
光學(xué)調整架系列
偏振元件調整架系列
接杆及杆架系列
光具座系列
光學(xué)平台附件
首頁
>
産品與服務
> 光機(jī)産品系列
光機(jī)産品系列
2020-11-19
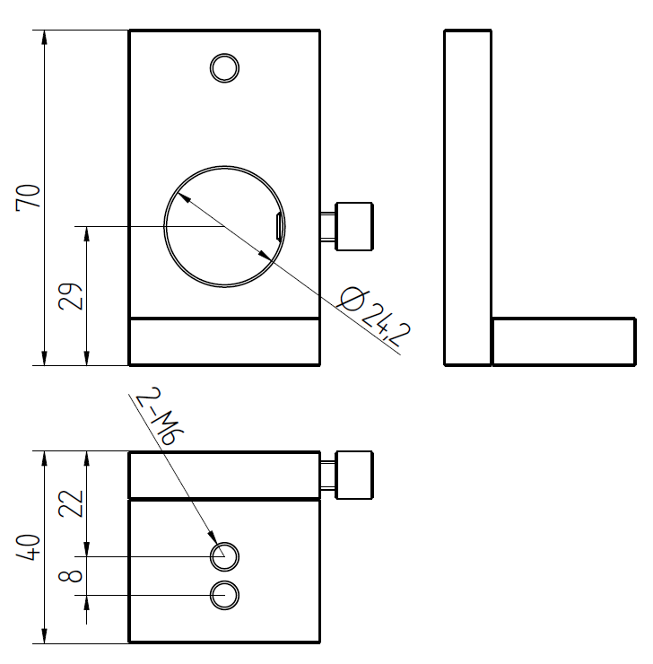
JPDR3C系列偏振片調整架
JPDR3C系列屬于三維調整架,除了繞光軸方向360°旋轉調整,還有(yǒu)俯仰、偏擺調節功能,适合偏振片及波片等光學(xué)元件的(de)固定及調整。型号JPDR3C-12.7JPDR3C-25.4JPDR3C-30裝夾直徑(mm)12.725.430通光直徑(mm)11232…
查看更多
2020-11-19
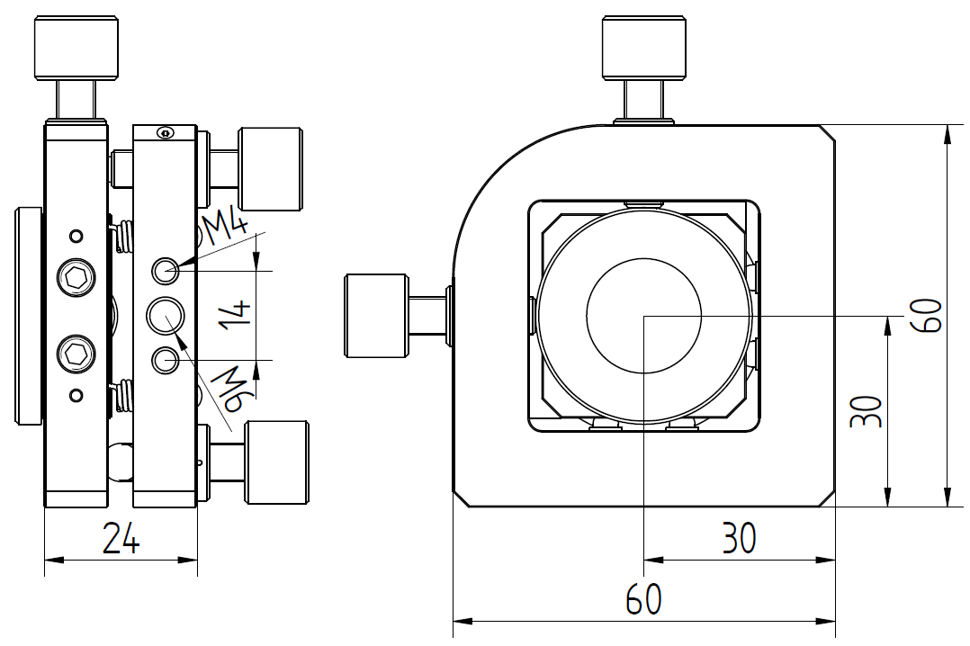
四維調整架
JODR4C-20 四維調整架采用優質鋁合金材料,經精密加工裝配而成。此調整架采用壓圈式結構固定圓形光學(xué)元器件,穩定可(kě)靠。産品特點:● 采用精密微調螺紋副(螺距0.25mm),可(kě)進行(xíng)精密四維調節● 配合轉接頭,可(kě)适配裝夾…
查看更多
2020-11-18
高(gāo)精密升降台
JHLP13A-65Z 高(gāo)精密升降台采用直頂式結構,精密測微頭驅動,使用精密交叉滾子(zǐ)導軌導向。此系列升降台适合于:定位精度高(gāo)、負載能力強、空間尺寸小的(de)領域使用。産品特點:● 直頂式結構,負載能力強,運行(xíng)平穩● 采用精…
查看更多
2020-11-18
鐵磁不鏽鋼面包闆
JSBB25A鐵磁不鏽鋼面包闆為(wèi)高(gāo)導磁不鏽鋼面包闆,整體采用三層夾心式結構,上台面為(wèi)不鏽鋼,中心為(wèi)蜂窩狀(米字形、井字形或圓筒形)支撐結構,底面為(wèi)碳鋼。在保持剛性的(de)同時,具有(yǒu)很好的(de)硬重比,具有(yǒu)一(yī)定的(de)隔振效果。…
查看更多
2020-11-19
讀數顯微鏡架
主要用于固定安裝讀數顯微鏡,滿足各種光路的(de)使用場景。
查看更多
上一(yī)頁
1
2
3
4
5
6
下一(yī)頁
當前 3 / 6 頁,共27記錄
027-59355370